Артикул AD1410

Гидравлический буфер серии AD

Комплектация:
Автоматический и регулируемый гидравлический демпфер серии AD— надёжное решение для амортизации ударов и стабилизации оборудования. Легко настраивается под разные нагрузки и условия работы. Обеспечивает безопасность и продлевает срок службы механизмов.
710 р. / шт.
817 р.
сопутствующие товары
Заказать
Нет в наличии

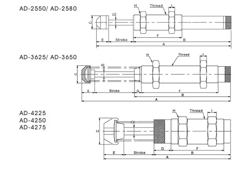
AD-серия демпфера. Автоматическая компенсация, регулируемый гидравлический буфер. Материал: среднеуглеродистая сталь

Демпфер предотвращает столкновение, уменьшает воздействия шума, защищает оборудование от повреждения, эффективная работа

Основные различия между сериями амортизаторов AC и AD:
Функция регулировки:
Серия AC: Так же называется амортизатором с автоматическим компенсационным механизмом, относится к нерегулируемым масляным амортизаторам. Он обладает функцией автоматической регулировки давления и способен адаптироваться к изменениям скорости столкновения и веса движущегося объекта, создавая мягкий эффект амортизации.
Серия AD: Также называется регулируемым масляным амортизатором, позволяет регулировать оптимальную силу поглощения амортизационной энергии в зависимости от изменений скорости движущегося объекта. Кроме того, для обеспечения точности и эффективности регулирования в его конструкции используется блокирующее устройство.

2417972eB 96050dfef358a 65c52acb49c0f9ep  

 

Размер и вес упаковки
  • Габарит А (см)
    6
  • Габарит В (см)
    6
  • Габарит С (см)
    20
0 оценок
0
0
0
0
0
5
Рейтинг
Адрес магазина
Режим работы
Наличие
посёлок Пригородный, с18
Нет в наличии
с 9:00 до 18:00
Подождите идёт расчёт доставки...
Рекомендуемые товары
5
нет отзывов
Гидравлический буфер серии HR/SR
1 830 р. / шт.
2 105 р.
Заказать
Нет в наличии