Ручной клапан поворотного типа для переключения потока воздуха. HV-02
Как он работает простыми словами - магистраль переключает поток воздуха в влево, нейтрал или в право, при этом стравливает воздух при очередном переключении влево или вправо.

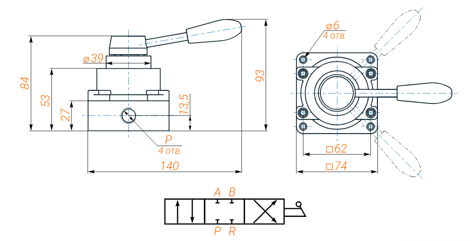
Пневматический поворотный клапан с ручным управлением HV-02. Трех-позиционный четырех-ходовой ручной поворотный клапан серии HV изготовлен из алюминиевого сплава, имеет прочный корпус цилиндра и окисленную поверхность, которая обладает хорошей устойчивостью к сжатию, износостойкостью и герметичностью. Рукоятка обеспечивает чувствительную реакцию на рулевое управление, регулировку на три передачи и точное позиционирование

ХАРАКТЕРИСТИКИ РАСПРЕДЕЛИТЕЛЯ ВОЗДУХА HV-02
- Рабочая схема: 4/3 лин./поз. с фиксацией
- Тип пилотного: управления прямого действия
- Материал корпуса: Алюминиевый сплав
- Глушитель: резьба 1/4
- Выход/Выход: резьба 1/4
- Максимальное давление: 8 Бар
- Тип управления: Ручное
- Управление: Ручное управление прямого действия
- Рабочая среда: воздух (тонкость очистки – 40 мкм)
- Рабочее давление: 0.1-0.8 МПа
- Рабочая температура: От -20 °C до +70 °C
- Площадь сечения: 14 mm² (CV=0.78)
- Размер 74х74